Logo image
Navigation überspringen
  • Start
  • Unternehmen
  • Leistungen
  • Referenzen
  • Jobs
  • Kontakt
Navigation überspringen
  • Start
  • Unternehmen
    • Team
    • Ausstattung
    • Mitgliedschaft / Zertifikat
  • Leistungen
  • Referenzen
    • Aktuelles
      • Humboldt-Universität Umbau Senatsaal
      • Jonny-K. Aktivpark
      • Katholische Schule St. Marien
      • Linden-Center Berlin
      • MZG Schule
    • Auslandsprojekte
      • Deutsches Botschaft Asmara
      • Deutsches Botschaft Bangkok
      • Deutsches Botschaft in Wellington
      • Goethe Institut Bogota
      • Generalkonsulat der BRD in Kalkutta (Indien)
    • Bildung- und Sportstätten
      • Chemieinstitut Universitätsstandort Adlershof
      • Friedrich-Bayer-Oberschule Steglitz
      • Gesamtschule Köln
      • Humboldt-Universität Adlershof
      • Humboldt-Universität Hörsaal Haus 2
      • Katholische Schule St. Marien
      • Kath. Schule Salvator
      • Kath. Schule St. Ursula
      • Kapelle Katholische Schule St. Marien
      • Olympiaschwimmstadions
      • Olympiastadion Reportergraben
      • Olympiastadion Kapelle
      • Oberschule für förderbehinderte Kinder
      • Radsportzentrum Köln Müngersdorf
      • Sporträume der Friedrichshagener Grundschule
      • Schule Zepernick
      • Umbau Senatsaal 1.OG HU
    • Hotel- und Gastgewerbe
      • Hotel Casa Camper Berlin
    • Kulturstätten
      • bat studiotheater Prenzlauer Berg
    • Wohn- und Geschäftshäuser
      • AES BOSCH GmbH Berlin
      • Fabrikgebäude Bürolofts
      • FLEUROP Anbau zweigeschossiger Bürogebäude
      • HOWOGE Hauptstraße
      • Humboldt-Universität Dorotheenstraße
      • Mehrfamilienhaus Fischerstraße
      • Neubauwohnung Drontheimer Straße
      • Neubau Feuerwehrgebäude
      • Neubau Mehrfamilienhaus Bernau
      • Neubau von zwei Mehrfamilienhäusern
      • Neubau Wohn- und Geschäftshaus
      • Sigmaringen Pflegeheim
      • TEG - Quartier am Schloss Tegel
      • Umbau Bio Company Goerz-Höfe
      • Vitalquartier an der Seelhorst
      • Wohnquartier Boxhagener Straße
      • Wohnquartier Speicherstadt Potsdam
      • Wohnanlage Töpchiner Weg
      • Wohnquartier-Adlershof-SAF
      • Wohnen Augsburger Strasse
    • Zoologische Gärten / Tierparks
      • Alfred-Brehm-Haus, Tierpark
      • Zoo Osnabrück
      • Zoo Raubtierhaus
      • Zoo Pandagehege
  • Jobs
    • Job Details
  • Kontakt
Menü
  • Start
  • Unternehmen
    • Team
    • Ausstattung
    • Mitgliedschaft / Zertifikat
  • Leistungen
  • Referenzen
    • Aktuelles
      • Humboldt-Universität Umbau Senatsaal
      • Jonny-K. Aktivpark
      • Katholische Schule St. Marien
      • Linden-Center Berlin
      • MZG Schule
    • Auslandsprojekte
      • Deutsches Botschaft Asmara
      • Deutsches Botschaft Bangkok
      • Deutsches Botschaft in Wellington
      • Goethe Institut Bogota
      • Generalkonsulat der BRD in Kalkutta (Indien)
    • Bildung- und Sportstätten
      • Chemieinstitut Universitätsstandort Adlershof
      • Friedrich-Bayer-Oberschule Steglitz
      • Gesamtschule Köln
      • Humboldt-Universität Adlershof
      • Humboldt-Universität Hörsaal Haus 2
      • Katholische Schule St. Marien
      • Kath. Schule Salvator
      • Kath. Schule St. Ursula
      • Kapelle Katholische Schule St. Marien
      • Olympiaschwimmstadions
      • Olympiastadion Reportergraben
      • Olympiastadion Kapelle
      • Oberschule für förderbehinderte Kinder
      • Radsportzentrum Köln Müngersdorf
      • Sporträume der Friedrichshagener Grundschule
      • Schule Zepernick
      • Umbau Senatsaal 1.OG HU
    • Hotel- und Gastgewerbe
      • Hotel Casa Camper Berlin
    • Kulturstätten
      • bat studiotheater Prenzlauer Berg
    • Wohn- und Geschäftshäuser
      • AES BOSCH GmbH Berlin
      • Fabrikgebäude Bürolofts
      • FLEUROP Anbau zweigeschossiger Bürogebäude
      • HOWOGE Hauptstraße
      • Humboldt-Universität Dorotheenstraße
      • Mehrfamilienhaus Fischerstraße
      • Neubauwohnung Drontheimer Straße
      • Neubau Feuerwehrgebäude
      • Neubau Mehrfamilienhaus Bernau
      • Neubau von zwei Mehrfamilienhäusern
      • Neubau Wohn- und Geschäftshaus
      • Sigmaringen Pflegeheim
      • TEG - Quartier am Schloss Tegel
      • Umbau Bio Company Goerz-Höfe
      • Vitalquartier an der Seelhorst
      • Wohnquartier Boxhagener Straße
      • Wohnquartier Speicherstadt Potsdam
      • Wohnanlage Töpchiner Weg
      • Wohnquartier-Adlershof-SAF
      • Wohnen Augsburger Strasse
    • Zoologische Gärten / Tierparks
      • Alfred-Brehm-Haus, Tierpark
      • Zoo Osnabrück
      • Zoo Raubtierhaus
      • Zoo Pandagehege
  • Jobs
    • Job Details
  • Kontakt
Top

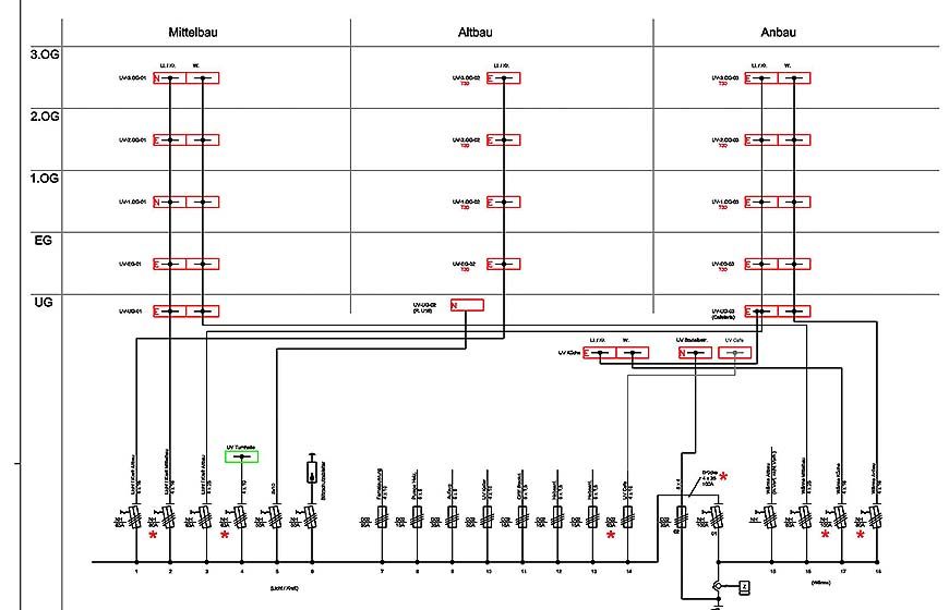
Bauvorhaben
Umbau Friedrich-Bayer-Oberschule
Lauenburger Straße 110-114, 12169 Berlin

Bauherr
Bezirksamt Steglitz-Zehlendorf von Berlin
Auf dem Grat 2, 14195 Berlin

Auftraggeber
Schimmel Beratende Ingenieure
Blücherstraße 22, 10961 Berlin

Architekt
Numrich Albrecht Klumpp, Berlin
Kohlfurter Straße 41-43, 10999 Berlin

Leistungsbild
-KG 440 - Starkstromanlagen (ALG 4)
-KG 450 - Fernmelde- und Informations-
                      technische Anlagen (ALG 5)

Zeitraum / Kosten (KG 440 + 450)
2009 / 180.000 € netto

Leistungsphasen
3, 5-8


Zurück zur Übersicht

ibk
Ingenieurbüro Kachellek

Parkaue 4
10367 Berlin

T 030 - 51653290
F 030 - 51653288

info@ibk-berlin.net
Outlook-Visitenkarte

Impressum
Datenschutz